0102030405
Custom Power capacitor 1500Vac-4000Kvar-1000hz
Power capacitor 1500kvac-4000kvar-1000hz made for induction heat treatment furnace. In induction heating equipment and melting furnaces, capacitors are used for power factor correction and power compensation, to increase the overall efficiency of the induction heating power system. They help in converting the input AC power to a specific frequency for induction heating circuit.
The power capacitor bank is essential for an induction heat treatment furnace to create a resonant LC circuit with the work coil, which stores and releases energy to amplify current, improve power transfer efficiency, and ensure stable, consistent high efficient heating. The capacitor bank's design must be carefully selected based on the furnace's specific voltage, capacitance value, and operating frequency to achieve optimal system stability and prevent potential damage.
Key benefits of our collaborations:
- Quick response in 24 Business hours
- Fast-delivery in 4 weeks.
- Dedicated to fostering trust and delivering tailored capacitor solutions.
Reach Flair to get a quote of high quality power capacitors with cutting-edge technology and heartfelt collaboration!
Technical parameter RFM 1.5-4000-1S
|
No |
Description |
Unit |
Data |
|
1 |
Rated voltage(AC) |
Un |
1.5 KVac |
|
2 |
Rated frequency |
Fn |
1000Hz |
|
3 |
Capacity |
Qn (Kvar) |
4000kvar |
|
4 |
Capacitance |
Cn (uF) |
282.9μF |
|
5 |
Current |
In(A) |
2667A |
|
6 |
water flow rate |
L/min |
8L/min |
|
7 |
Max.outlet water temp |
℃ |
≦35°C |
Mechanical parameter
|
No |
Description |
Data |
|
1 |
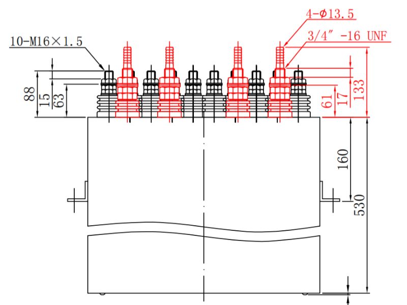
Case Dimension |
441*171*530mm |
|
2 |
Case Materials |
Patterned Aluminium alloy |
|
3 |
Terminal conduit |
Compound materials |
|
4 |
Max tightening Torque |
18N m |
|
5 |
Filling |
Insulation oil(PEPE), non-PCB |
|
6 |
Shell case |
Insulated |
|
7 |
Nos of cooling water tubes |
1 |
|
8 |
weight |
58kg |
Outline Drawing
01
01020304









